
- 概览
- 技术参数
- 应用

测温范围:200~3500度,分段,可定制
● 比色测量,相比单色测温仪,准确性更高。
● 多种瞄准方式可选:目视光学瞄准、激光点瞄准、视频瞄准
● 螺旋调焦, 并带刻度指示,多种调焦范围(安装距离)可选,能测小目标
● 可不受窗口玻璃影响、测温值不受被测材料辐射率(与材料、及表面光洁度、氧化程度相关)影响
● 测量时目标可不充满测量区域,可以精确测量小目标
● 抗烟雾、水蒸气和灰尘能力强,电源接线全保护,输出全隔离
● 最大值、平均值测温均有两种方式可选
● 整机结实密封,且带环境温度补偿,适于环境条件恶劣的工业现场中使用
主要型号选型表

技术性能

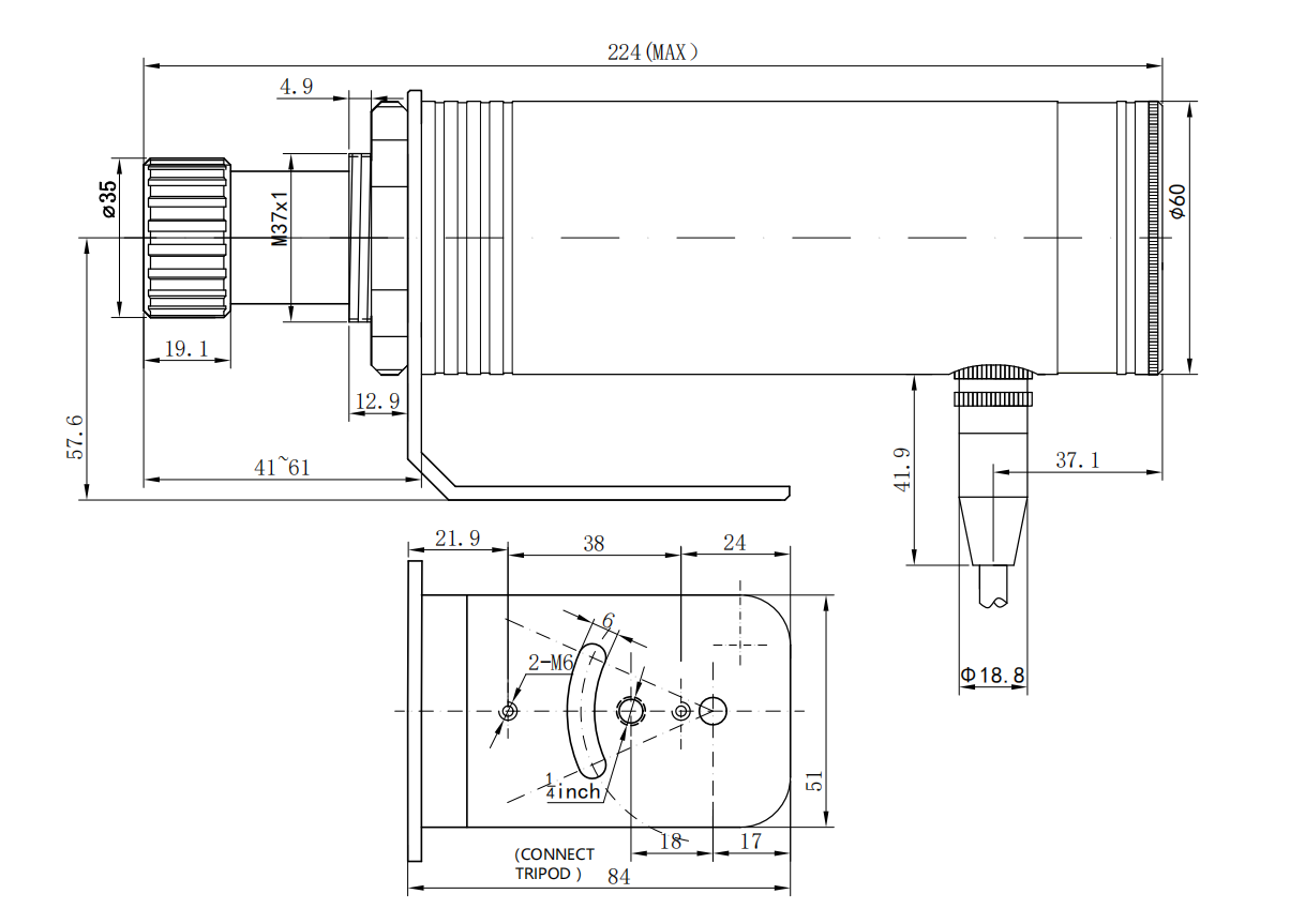
外形尺寸

管道热处理应用
